Top.Mail.Ru
Купить документацию

Инжиниринговые услуги.
Энергетика

Профессиональная разработка всех видов проектной документации для реализации энергетических проектов с применением передовых инженерных решений

Пишите нам на почту
innoquest@list.ru
Отправить заявку
Всегда на связи
и готовы ответить
на вопросы
Мы работаем
по договору
и соблюдаем
все условия
Комплексное проектирование
Автоматизация энергосистем
Инженерные системы и связь
Моделирование электроэнергетических систем

Проектный Центр «InnoQuest Solutions»

Одним из главных преимуществ ПЦ «InnoQuest Solutions» является команда квалифицированных и опытных специалистов, способных выполнить проектирование без привлечения сторонних исполнителей и обладающих обширными знаниями не только в проектировании, но и в области разработки.

В референс-листе Проектного центра «InnoQuest Solutions» более 100 успешно реализованных проектов.

Реальные кейсы
Реальные кейсы

Профессиональная разработка всех видов документаций в соответствии с актуальными стандартами ЕСКД, СНиП и ГОСТ для реализации энергетических и строительных проектов с применением передовых инженерных решений.

Направления в проектировании

Мы предлагаем современные решения в области проектирования НКУ, КРУ, релейной защиты, автоматизации энергосистем и электроприводной техники

Проектирование КД

НКУ и КРУ

Мы проектируем системы оперативного постоянного тока, приема и распределения переменного тока, а также типовые и нетиповые низковольтные комплектные устройства любой сложности до 35 кВ

Релейная защита и автоматика

Опыт и знания в области релейной защиты и автоматики позволяют нам проектировать системы микропроцессорной релейной защиты и автоматики с использованием оборудования сторонних производителей для защиты станционного и подстанционного оборудования 0,4-750 кВ, а также надежную и бесперебойную работу энергосистемы

Автоматизация энергосистем

Автоматизация технологического процесса - это не только эффективный инструмент управления, но и средство обеспечения безопасной эксплуатации энергообъекта. Мы предлагаем разработку комплекса программно-технических средств для автоматизации электрической части станций и подстанций до 750 кВ

Электроприводная техника

Системы плавного пуска и преобразователи частоты - это оптимальное и надежное решение для управления высоковольтными электродвигателями. Мы предлагаем услуги проектирования систем до 750 кВ
Проектирование АСУ ТП

Направления в проектировании

Мы предлагаем современные решения в области проектирования НКУ, КРУ, релейной защиты, автоматизации энергосистем и электроприводной техники

НКУ и КРУ

Мы проектируем системы оперативного постоянного тока, приема и распределения переменного тока, а также типовые и нетиповые низковольтные комплектные устройства любой сложности до 35 кВ

Релейная защита и автоматика

Опыт и знания в области релейной защиты и автоматики позволяют нам проектировать системы микропроцессорной релейной защиты и автоматики с использованием оборудования сторонних производителей для защиты станционного и подстанционного оборудования 0,4-750 кВ, а также надежную и бесперебойную работу энергосистемы

Автоматизация энергосистем

Автоматизация технологического процесса - это не только эффективный инструмент управления, но и средство обеспечения безопасной эксплуатации энергообъекта. Мы предлагаем разработку комплекса программно-технических средств для автоматизации электрической части станций и подстанций до 750 кВ

Электроприводная техника

Системы плавного пуска и преобразователи частоты - это оптимальное и надежное решение для управления высоковольтными электродвигателями. Мы предлагаем услуги проектирования систем до 750 кВ
Проектирование АСУ ТП
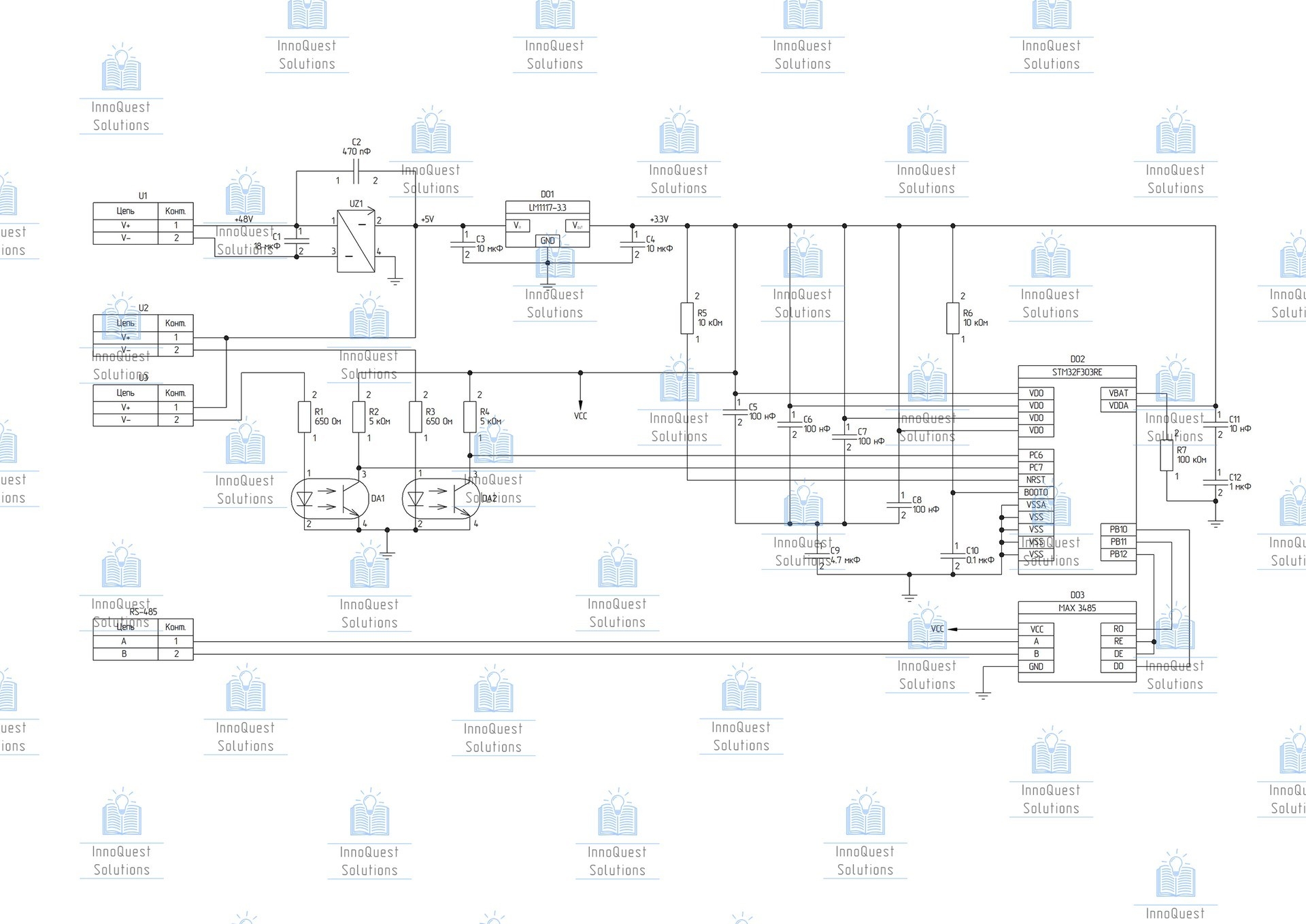
Проектирование электрических схем и чертежей на оборудование

  • Разработка принципиальных (Э3) и монтажных (Э4) электрических схем в соответствии с техническим заданием Заказчика.
  • Проектирование комплекта чертежей для изготовления оборудования, включая схемы подключения (Э5) и расположения (Э7) компонентов.
  • Выполнение расчётов электрических параметров и подбор элементной базы, обеспечивающей надежность и безопасность конструкции.
  • Адаптация проектных решений под требования действующих стандартов и нормативов (ПУЭ, ГОСТ, ЕСКД, СНиП).
  • Формирование полного пакета проектной документации для передачи в производство.

Проектирование разделов ЭОМ (электрооборудование и освещение)

  • Проектирование электрооборудования: комплексная разработка раздела ЭОМ с подбором современного и энергоэффективного оборудования, его размещением и схемами подключения.
  • Проектирование систем освещения: создание светотехнических решений для всех зон объекта, включая рабочее, архитектурное, дежурное и аварийное освещение с расчетом уровней освещенности.
  • Расчетно-аналитическое обеспечение: выполнение расчетов электрических нагрузок, токов короткого замыкания, потерь напряжения и компенсации реактивной мощности.
  • Нормативное сопровождение: гарантия полного соответствия проекта требованиям ПУЭ, СП, ГОСТ и других действующих нормативных документов.
  • Выпуск рабочей документации: подготовка полного комплекта чертежей и спецификаций, готовых к передаче заказчику и монтажной организации.

Проектирование объектов капитального строительства

Мы предлагаем комплексные проектные решения в области строительства и инфраструктуры:

  • Строительство и реконструкция: Полный цикл проектирования несущих конструкций, фундаментов и зданий под ключ.
  • Энергетика: Проектирование всех видов распределительных устройств (ЗРУ, ОРУ) и линий электропередач (ВЛ, КЛ) до 750 кВ.
  • Коммунальные сети: Создание проектов для сетей теплоснабжения, водоснабжения, канализации и насосных станций.
  • Сопутствующие работы: Усиление конструкций, энергоэффективность, демонтаж, благоустройство территорий.

Все расчеты выполняются с использованием профессионального ПО.

Проектирование объектов альтернативной энергетики

Полный цикл проектирования электростанций на ВИЭ

Мы проектируем «под ключ» солнечные, ветровые и гибридные электростанции, превращая природную энергию в надежное электроснабжение.

Что входит в наши услуги:

  • От идеи до чертежа: От анализа площадки и выбора лучшего оборудования до разработки всей необходимой документации для монтажа.
  • Технико-экономическое обоснование: Мы подберем для вас оптимальное оборудование, сравнив предложения нескольких производителей, чтобы обеспечить максимальную эффективность при разумных затратах.
  • Инженерные расчеты: Проектируем все — от схемы выдачи мощности и центра нагрузок до строительных конструкций (угол наклона панелей, высота ветрогенератора).
  • Контроль качества: Обеспечиваем авторский надзор на весь период строительства с возможностью постоянного присутства нашего специалиста на объекте.

Проектирование цифровых подстанций (ЦПС)

Компания "InnoQuest Solutions" обладает успешным опытом разработки проектной документации для строительства и реконструкции энергообъектов с применением технологии цифровой подстанции.

Цифровая подстанция — это новый этап развития энергетики. Технология представляет собой комплекс решений, которые оптимизируют и повышают эффективность распределения и контроля энергоресурсов. В её основе — современная система управления, соответствующая требованиям международных стандартов.

Внедрение российской технологии «Цифровая подстанция» приносит значительную техническую и экономическую выгоду, способствует развитию отечественной промышленности и науки, а также укрепляет энергобезопасность страны.

Проектирование в 3D-6D на основе технологии BIM

  • 3D: Геометрия + информация. Пространственная модель с проектными данными.
  • 4D: 3D + Время. Модель, включающая график строительства.
  • 5D: 4D + Деньги. Модель, объединяющая график и смету.
  • 6D: 3D + Реальность. Фактическая модель объекта для эксплуатации.

Проектирование силового оборудования

Мы осуществляем полный комплекс проектных работ в области электроэнергетики, включая:

  • Проектирование объектов: электрических подстанций (ПС), комплектных трансформаторных подстанций (КТП) 6-35 кВ, распределительных пунктов (РП) и устройств напряжением до 750 кВ.
  • Реконструкция и модернизация: открытых (ОРУ) и закрытых (КРУ) распределительных устройств, систем собственных нужд энергообъектов.
  • Системное проектирование: разработка принципиальных электрических схем, компоновочных решений и установочных чертежей для силового оборудования.
  • Инженерные расчеты: токов короткого замыкания, термической и динамической стойкости оборудования, а также проектирование систем молниезащиты и заземления.
  • Сетевые решения: разработка схем электрических сетей 6-10 кВ и определение центра электрических нагрузок.

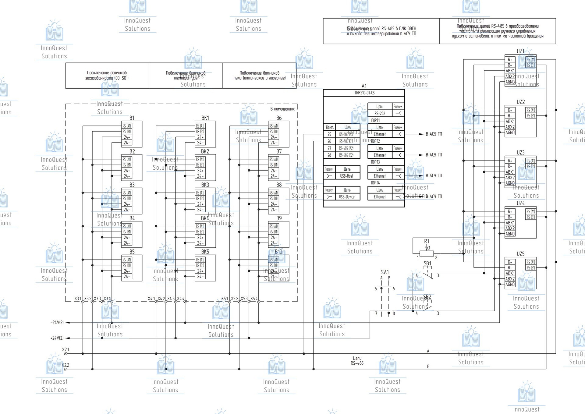
Проектирование вторичных систем

  • Релейная защита и автоматика: Проектирование систем релейной защиты, сетевой и противоаварийной автоматики (РЗА, СА, ПА) для электрических станций и подстанций.
  • Диагностика и контроль: Разработка систем регистрации аварийных и переходных процессов, сигнализации и определения мест повреждения (РАС, СС, ОМП, СМПР).
  • Автоматизированные системы управления: Создание систем АСУ ТП, SCADA, а также систем мониторинга и диагностики релейной защиты (СМРЗА).
  • Диспетчеризация и телемеханика: Проектирование систем диспетчерского управления, сбора и передачи данных, телемеханики (ТМ, ССПИ, СОТИ АССО).
  • Учет энергоресурсов: Разработка систем технического и коммерческого учета электроэнергии (АИИС КУЭ, АСТУЭ).
  • Оперативные токи и питание: Проектирование систем оперативного постоянного и переменного тока (СОПТ, ЩПТ, ЩСН), а также систем бесперебойного и гарантированного питания.
  • Управление двигателями: Проектирование систем плавного пуска и частотного регулирования для высоковольтных двигателей (СПП, ЧРП).

Проектирование систем инженерной инфраструктуры

  • Связь: от внутренних АТС и диспетчерской связи до громкоговорящей и радиопоисковой.
  • Безопасность: полный комплекс решений, включая видеонаблюдение, СКУД, охранную сигнализацию и их интеграцию.
  • Пожарная защита: системы тушения, оповещения, а также разработка деклараций и расчет рисков.
  • Энергетика: строительство и обслуживание тепловых сетей, котельных и паровых трубопроводов.
  • Инфраструктура: все виды инженерных сетей — от ОВиК и электроснабжения до водоснабжения и наружного освещения.

Авторский надзор

  • Полный цикл экспертизы: от подготовки пакета документов до получения итогового заключения.
  • Контроль качества: обеспечение строгого соответствия строительно-монтажных работ проектной документации.
  • Надзор за сложными объектами: проведение обязательных проверок по проектам с нестандартными инженерными и строительными решениями.
  • Работа с изменениями: оперативное внесение правок в чертежи и согласование отклонений от проекта.
  • Прозрачность для Заказчика: подготовка и предоставление кратких отчётов с перечнем текущих строительных вопросов.

Примеры наших работ

/ 11

Умеем работать в ПО

Умеем работать в ПО

Помогаем Вашим сотрудникам

Образовательные курсы для ваших сотрудников энергетических и строительных компаний: повышение квалификации и развитие профессиональных навыков вашей команды

Курсы по АСУ ТП
Курсы РЗА
Курсы ПЛК
Курсы компас-электрик

Помогаем Вашим сотрудникам

Образовательные курсы для ваших сотрудников энергетических и строительных компаний: повышение квалификации и развитие профессиональных навыков вашей команды

Курсы по АСУ ТП
Курсы РЗА
Курсы ПЛК
Курсы компас-электрик

Наши преимущества

8,9/10

100%

1 Год

средний балл
удовлетворенности
зазказчиков

соблюдение сроков
и следование
договору

гарантии на наши
работы и проекты

8,9/10
8,9/10
Следование договору
Защита договором

Ответьте на 1 вопрос и получите
расчет услуги под ваши интересы

InnoQuest Solutions

Онлайн-платформа
Пройдите этот тест и мы подберем специально для вас оптимальное решение!
Какая услуга вас интересует?
Какая услуга вас интересует?
Далее
Менеджер свяжется с вами в течение 5 минут после отправки заявки
Выберите удобный способ связи
Способ связи:
Назад
Нажимая на кнопку, вы принимаете Положение, даете Согласие на обработку персональных данных, соглашаетесь с условиями Оферты и даете Согласие на получение рекламных сообщений.

Для кого наши услуги?

Проектирование для профессионалов, бизнеса и будущих специалистов

Частных лиц

Строите для себя? Начните с идеального проекта

Юридических лиц

Эффективное проектирование для вашего бизнеса. Снижаем сроки и затраты

Студентов и Учебных заведений

Профессиональные инструменты для вашего учебного пути и научной работы

Этапы работы

Вы оставляете
онлайн заявку
на сайте
Связываемся
с вами и уточняем детали
Готовим коммерческое предложение
Подписываем договор, согласовываем условия
Сдаем работу,  принимаете результат

Разрабатываем комплекты КД для:

Промышленные объекты
Промышленные объекты

Промышленные объекты

Автоматизированные системы

Автоматизированные системы

Шкафы НКУ и КРУ

Шкафы НКУ и КРУ

Торговые комплексы

Торговые комплексы

Административные здания

Административные здания

Жилые здания

Жилые здания

Примеры документаций

Примеры КД

Нужна помощь? Оставьте телефон, мы перезвоним и всё подробно расскажем

Расчет оборудования
Расчет оборудования

Расчет и подбор электрического оборудования

Срок выполнения работы: 5 дней

Расчет экономики
Расчет экономики

Расчет экономических показателей

Срок выполнения работы: 4 дня

Срок выполнения работы: 4 дня
Электросхема Э3
Электросхема Э3

Схема электрическая устройства

Срок выполнения работы: 3 дня

Чертеж, профиль машиностроение
Чертеж, профиль машиностроение

Чертеж технологического узла

Срок выполнения работы: 4 дня

Срок выполнения работы: 4 дня
Чертеж общий вид Э7
Чертеж общий вид Э7

Чертеж общего вида лифта

Срок выполнения работы: 2 дня

Спецификация
Спецификация

Спецификация и перечень элементов ПЭ3

Срок выполнения работы: 1 день

Мы оказываем частные консультационные услуги проектирования, моделирования и разработки комплектов ПД, РД, КД и т.д. с помощю электронно-вычислительной техники, конечный продукт является результатом интеллектуальной деятельности человека, и не предоставляем услуги для которых требуется членство в СРО и лицензии в соотвествии с ФЗ РФ.
Перезвоним и ответим на вопросы
Получите бесплатный расчёт стоимости услуг
Оставьте заявку и получите бесплатную консультацию
Поможем решить все вопросы
Если вы хотите больше узнать об услугах InnoQuest Solutions оставьте заявку - и мы перезвоним
Введите Имя и Фамилию
Укажите телефон для связи
Главная
О платформе
Новости
Каталог курсов
FAQ
Контакты
8 (937) 019-09-90
innoquest@list.ru
Мы в соц. сетях:
Мы используем файлы cookie, для персонализации сервисов и повышения удобства пользования сайтом. Если вы не согласны на их использование, поменяйте настройки браузера.
2025 © «InnoQuest Solutions». Все права защищены
InnoQuest Solutions — интернет-платформа оказания цифровых услуг. Платформа используется с целью предоставления платного доступа к обучающим материалам и оказания консультационных услуг в сфере проектирования.